法拍三峽透天

透明房訊,台北104法拍,台北法拍屋
法拍屋,法拍屋代標,法拍屋出售
最後更新:13小時內
房屋資料
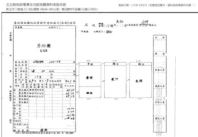
案名三峽區中山路108號3層樓案號115職一60甲金
地址新北市三峽區中山路108號3層樓
銷售狀態待標中售價
售5180萬
房屋類型法拍透天_店面總登記坪數68.66 坪
格局屋齡50年以上
每坪單價75.44萬/坪公設比
車位座向
無障礙環境法拍屋 本物件是法拍屋
拍次 : 第一拍
開標日期 : 115/4/22(三)
建物所在樓層3層樓管理費
管委會中庭
電梯 未知 是否為凶宅
300公尺內嫌惡設施面前道路
面寬縱深
邊間房屋銷售來源不動產經紀人/專業仲介
房屋特色

▲拍賣公告:金服公司
▲拍賣標的物:新北市三峽區中山路108號3層樓
▲【謄本資料】:總坪數68.66坪[主建坪68.66坪],另增建坪46.52坪
▲【法院筆錄】:拍定後建物點交
法院於111年11月現場查封時,債務人父親之配偶在場,稱建物由債務人自行開永和豆漿大王店使用,2、3樓作為辦公室及宿舍使用,
並稱3樓有一間房間有漏水情形
▲【生活機能】:
▲【拍次說明】:
標售拍次(目前拍次底價):
第一拍底價:5180
第二拍底價:
第三拍底價:
拍賣日期:115/4/22(三)
▲台北∣新北∣桃園∣新竹
★Houseinfo:http://www.xn--ogt54mdnjqrqpix.tw/
▲【代標服務】
<過濾案件>追蹤拍賣日期...
<評估案件>投標全場陪同及標價最後建議...
<包辦交屋>與法院協商現住人交屋事項...
<代墊尾款>辦理銀行代墊及投標尾款手續...

※此案件為法拍屋無法看屋,實際狀況以法院筆錄為主。
詳細資訊了解請撥李小姐(02)8260-2416|0986-508652
財欣不動產管理顧份有限公司【統一編號】28306523
坪數說明
建物登記總坪數68.66土地登記總坪數37.61
主建物坪數68.66停車位坪數
附屬建物坪數公共設施坪數
增建坪數46.52地下室坪數
周邊環境
生活機能鄰近交通
鄰近地標公園綠地
鄰近學區捷運站
房屋聯絡人資訊
聯絡人姓名李小姐
(煩請告知聯絡人,您是在House-Info房屋網看到這則廣告,真摯感恩您的幫忙)
手機
0986-508-652
Line加入好友Line加入好友
所屬公司名稱財欣不動產管理顧問有限公司/統編2830 6053
公司電話聯絡電話:02-82602416 / 0986508652公司傳真
公司地址新北市土城區金城路二段396號11樓/桃園市莊敬路一段346號4樓
網 址http://www.精選法拍屋.tw
贊助商廣告
桃園廠房,桃園廠房出租,桃園廠房出售
新北法拍屋,新北市法拍屋,新北法院法拍屋
新北法拍透天-1
新北法拍透天-1
新北法拍透天-2
新北法拍透天-2
新北法拍透天-3
新北法拍透天-3
觀看地圖

法拍三峽透天-新北市三峽區中山路108號3層樓-透天

物件留言
請注意,如果您詢問的內容與物件不相符合或是廣告,經過審核,系統將會直接刪除您的發問內容
等待圖示
檢舉物件不實
等待圖示
黃金曝光
相似物件
www.houseinfo.com.tw房屋網免責聲明:本系統為租用式開放房屋買賣網站建置平台,僅提供會員查詢-法拍三峽透天--等房屋資訊參考,並不涉入任何諮詢、交易。 物件(服務)聯絡人公佈的資訊、文字、照片、圖形、產權、廣告內容、或其他資料若有不實或違法情事,或與客戶聯絡交易過程中若衍生民事或刑事等法律問題,皆與本房屋網站無關,所有商標、文章、名稱等版權,皆歸屬原著作者所有! ●電話:07-7963288