法拍士林區大樓

法拍屋,法拍屋代標,法拍屋出售
台北法拍屋
最後更新:6小時內
房屋資料
案名520 近捷運劍潭站|前港公園旁|圓山巴黎|方正邊間華廈一樓案號士林114實56077
地址台北市士林區後港街160-2號1樓社區/大樓台北-圓山巴黎
銷售狀態待標中售價
售3774萬6000元售3020萬3000元
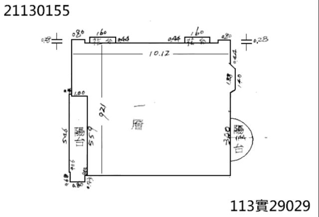
房屋類型法拍大樓_華廈_一樓總登記坪數52.4 坪
格局方正邊間華廈一樓屋齡28年
每坪單價57.64萬/坪公設比42.1 %
車位B2-32號坡道式平面車位座向
無障礙環境法拍屋 本物件是法拍屋
拍次 : 3
開標日期 : 115/05/20(三) 14:30
建物所在樓層1樓/共12樓管理費
管委會中庭
電梯是否為凶宅不是
300公尺內嫌惡設施面前道路
面寬縱深
邊間房屋銷售來源不動產經紀人/專業仲介
房屋特色
104法拍網代標//透明房訊//法拍讀書會//透明實價網//投資課程㊣㊣㊣業界最大法拍屋專業機構㊣㊣㊣
法拍個案拍賣資訊均與司法院//台灣金融資產服務股份有限公司//法務部行政執行署拍賣資訊同步刊登,隨時更新!!!
★法拍屋不提供賞屋服務→可透過地政機關建物平面圖、位置圖等資料分析判斷之★

本件拍賣資訊節錄:
點交情形→民國114年7月24日現場查封時,第三人即債務人之兒子周○宇在場稱21126建號房屋為債務人及家人共同居住使用;據社區總幹事稱配賦之停車位在地下2樓,編號32號,承租人李○峰具狀陳報自113年12月16日起承租,每月租金5,000元,無書面租約。因停車位係拍賣共有部分,應由全體區分所有權人協議使用分管方法,故不予點交。21832建號係作為社區管理室使用。21126建號(除停車位外)拍定後點交,其餘係係拍賣不動產應有部分,拍定後不點交。

謄本資料→[謄本]:總坪數52.40坪[主建坪26.86坪,附屬坪3.47坪,公設坪22.07坪(建號:21145,21146,21083)][RC造/住家用]
是【大學法律學系的法學士】→1996年畢業
也是【通過國家考試及格執業22年的代書】→2004年迄今
更是【任職律師事務所職司法律相關事務31年的法務經理】→1995年迄今
能精準為您分析判讀法拍個案的觸角,維繫您的個案權益。
專業指名:張世興代書
服務專線:02-2270-0600
行動電話:0986-666-000

公司名稱:一零四法拍網股份有限公司/統一編號28306523
經紀人名字&字號:林桂英/北市經證第001243號
營業員名字&證照號碼:張世興/(107)登字第331706號

個案物件均依各拍賣機關拍賣公告底價投開標.如當拍未拍定時,除經債權人聲明指定底價外.原則依前拍底價酌減20%估算次拍底價(強制執行法第91條、92條參照)
【第一拍:4717萬115年03月11日流標】
【第二拍:3774.6萬115年04月08日流標】
【第三拍:3020.3萬115年05月20日待標】
【公告應買:萬年月日】
【第四拍:萬年月日】

張世興代書→其他法拍屋搜尋網站:
H0USEINFO→http://www.沿金標法拍.tw
樂屋網→https://vip.rakuya.com.tw/0986666000/sell
坪數說明
建物登記總坪數52.40土地登記總坪數10.36
主建物坪數26.86停車位坪數
附屬建物坪數3.47公共設施坪數22.07
增建坪數地下室坪數
周邊環境
生活機能鄰近交通
鄰近地標公園綠地
鄰近學區捷運站
房屋聯絡人資訊
聯絡人姓名張世興
(煩請告知聯絡人,您是在House-Info房屋網看到這則廣告,真摯感恩您的幫忙)
手機
0986-666-000
Line加入好友
所屬公司名稱一零四法拍網股份有限公司 / 統一編號 28306523
公司電話沿金標法拍◆(02)2270-0600 ★ 0986-666-000 張世興代書◆『法拍』購屋首選公司傳真(02)2274-0884
公司地址新北市土城區金城路二段396號11樓
網 址http://www.沿金標法拍.tw
贊助商廣告
台北大安區房屋,台北大安區房屋出售,台北大安區房屋資訊
新北法拍屋,新北市法拍屋,新北法院法拍屋,新北法拍屋查詢公告
台北拍賣大樓-1
台北拍賣大樓-1
台北拍賣大樓-2
台北拍賣大樓-2
台北拍賣大樓-3
台北拍賣大樓-3
台北拍賣大樓-4
台北拍賣大樓-4
台北拍賣大樓-5
台北拍賣大樓-5
台北拍賣大樓-6
台北拍賣大樓-6
台北拍賣大樓-7
台北拍賣大樓-7
台北拍賣大樓-8
台北拍賣大樓-8
台北拍賣大樓-9
台北拍賣大樓-9
台北拍賣大樓-10
台北拍賣大樓-10
台北拍賣大樓-11
台北拍賣大樓-11
觀看地圖

法拍士林區大樓-台北市士林區後港街160-2號1樓-大樓

物件留言
請注意,如果您詢問的內容與物件不相符合或是廣告,經過審核,系統將會直接刪除您的發問內容
等待圖示
檢舉物件不實
等待圖示
黃金曝光
相似物件
www.houseinfo.com.tw房屋網免責聲明:本系統為租用式開放房屋買賣網站建置平台,僅提供會員查詢-法拍士林區大樓--等房屋資訊參考,並不涉入任何諮詢、交易。 物件(服務)聯絡人公佈的資訊、文字、照片、圖形、產權、廣告內容、或其他資料若有不實或違法情事,或與客戶聯絡交易過程中若衍生民事或刑事等法律問題,皆與本房屋網站無關,所有商標、文章、名稱等版權,皆歸屬原著作者所有! ●電話:07-7963288