法拍新北汐止公寓

透明房訊,台北104法拍,台北法拍屋
法拍屋,法拍屋代標,法拍屋出售
最後更新:9小時內
房屋資料
案名汐止區明峰街145號5樓|增建19坪案號第二拍 115/5/14(四)
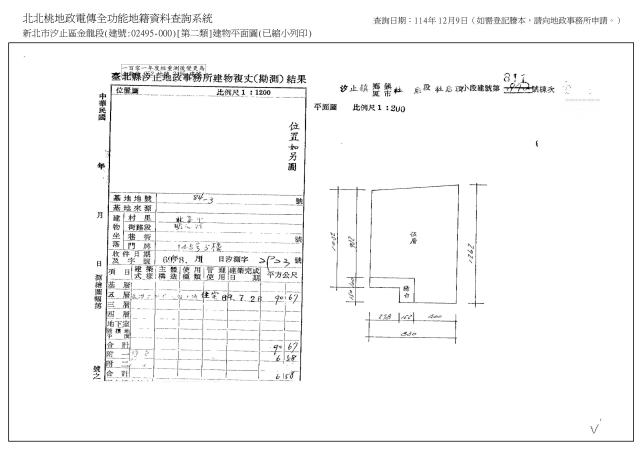
地址新北市汐止區明峰街145號5樓社區/大樓新北-金龍社區
銷售狀態待標中售價
售1168萬5000元
房屋類型法拍公寓總登記坪數29.42 坪
格局屋齡45年
每坪單價39.72萬/坪公設比
車位座向朝西北
無障礙環境法拍屋 本物件是法拍屋
拍次 : 2
開標日期 : 5/14
建物所在樓層5+6/5管理費
管委會中庭
電梯 沒有 是否為凶宅不是
300公尺內嫌惡設施面前道路
面寬縱深
邊間房屋銷售來源不動產經紀人/專業仲介
房屋特色

汐止法拍屋|汐止公寓法拍|明峰街|金龍社區

━━━━━━━━━━━━━━

汐止法拍屋

汐止公寓法拍

明峰街法拍

金龍社區法拍屋

新北市汐止區明峰街145號5樓

━━━━━━━━━━━━━━



【案名】

金龍社區|頂樓加蓋|大空間收租宅



【拍賣資訊】

案號:113勇62295

拍次:第二拍

開標日期:115/05/14

拍賣底價:1168萬

執行狀態:待標中

點交情形:點交



━━━━━━━━━━━━━━



【物件基本資料】

房屋類型:法拍公寓(頂加)

社區名稱:金龍社區

建物結構:RC造

建物樓層:5+6樓/共5樓

屋齡:約45年

房屋用途:住家用



━━━━━━━━━━━━━━



【坪數資料】

總坪數:29.42坪

主建物:27.43坪

附屬建物:1.99坪

增建:19.44坪

土地:8.16坪

每坪單價:約39.73萬/坪



━━━━━━━━━━━━━━



【物件特色】

◎頂樓加蓋使用空間大,實際坪數放大

◎可規劃多房收租,投報型產品

◎邊間格局,採光通風佳

◎增建獨立出入口,使用彈性高

◎低總價切入雙北市場



━━━━━━━━━━━━━━



【交通機能】

◎近中興路、民族六街

◎快速銜接國道一號、國道三號

◎汐止交流道交通便利

◎未來捷運:汐東捷運線(規劃中)



━━━━━━━━━━━━━━



【生活機能】

◎金龍市場、全聯、美廉社

◎樟樹國中、金龍國小

◎成熟住宅區,生活機能完整



━━━━━━━━━━━━━━



【拍賣履歷】

第一拍|01/08|1230萬(流標)

第二拍|05/14|1169萬(待標)

第三拍|未定|約788萬(甜價機會)



━━━━━━━━━━━━━━



【投標建議】

✔頂加產品,低價高坪效

✔可收租或自用雙用途

✔第三拍降幅大,投資客可布局



━━━━━━━━━━━━━━



【貸款說明】

法拍貸款分為代墊尾款與一般房貸兩類,

與104法拍網長期配合的銀行也可承作不點交案件。



━━━━━━━━━━━━━━



📲LINE諮詢

https://line.me/ti/p/MJcPvp3nG8



104法拍網法拍服務團隊

雙人代拍|全台專業代標|銀行貸款評估



━━━━━━━━━━━━━━



【投標諮詢|雙人代標】

林小姐Anna|0986-678-928

黃先生Pitt|0984-508-898



代標找林小姐,安心又會標~Anna幫你買到家!

坪數說明
建物登記總坪數29.42土地登記總坪數8.16
主建物坪數27.43停車位坪數
附屬建物坪數公共設施坪數
增建坪數19.44地下室坪數
周邊環境
生活機能鄰近交通
鄰近地標公園綠地
鄰近學區捷運站
房屋聯絡人資訊
聯絡人姓名林宸妍
(煩請告知聯絡人,您是在House-Info房屋網看到這則廣告,真摯感恩您的幫忙)
手機
0986-678-928
Line加入好友Line加入好友
所屬公司名稱財欣不動產管理顧問有限公司 統編:22857204|合法營業|提供正式發票
公司電話0986678928公司傳真
公司地址桃園市桃園區莊敬路一段346號4F
網 址http://www.0986678928.tw
贊助商廣告
桃園廠房,桃園廠房出租,桃園廠房出售
新北法拍屋,新北市法拍屋,新北法院法拍屋
新北汐止公寓法拍-1
新北汐止公寓法拍-1
新北汐止公寓法拍-2
新北汐止公寓法拍-2
新北汐止公寓法拍-3
新北汐止公寓法拍-3
觀看地圖

法拍新北汐止公寓-新北市汐止區明峰街145號5樓-公寓

物件留言
請注意,如果您詢問的內容與物件不相符合或是廣告,經過審核,系統將會直接刪除您的發問內容
等待圖示
檢舉物件不實
等待圖示
黃金曝光
相似物件
www.houseinfo.com.tw房屋網免責聲明:本系統為租用式開放房屋買賣網站建置平台,僅提供會員查詢-法拍新北汐止公寓--等房屋資訊參考,並不涉入任何諮詢、交易。 物件(服務)聯絡人公佈的資訊、文字、照片、圖形、產權、廣告內容、或其他資料若有不實或違法情事,或與客戶聯絡交易過程中若衍生民事或刑事等法律問題,皆與本房屋網站無關,所有商標、文章、名稱等版權,皆歸屬原著作者所有! ●電話:07-7963288