法拍新北淡水透天

透明房訊,台北104法拍,台北法拍屋
法拍屋,法拍屋代標,法拍屋出售
最後更新:6小時內
房屋資料
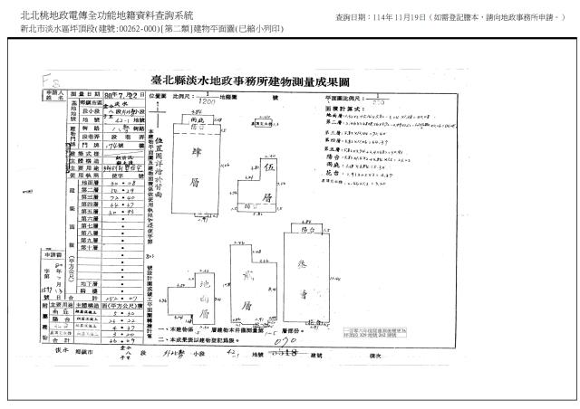
案名新北市淡水區八勢路一段174號5層樓【詩畫城堡別墅2】案號112快81781
地址新北市淡水區八勢路一段174號5層樓社區/大樓新北-詩畫城堡別墅2
銷售狀態待標中售價
售990萬
房屋類型法拍透天總登記坪數93.72 坪
格局0房屋齡35年
每坪單價10.56萬/坪公設比
車位座向
無障礙環境法拍屋 本物件是法拍屋
拍次 : 4
開標日期 : 115/04/09(四) 下午14:30
建物所在樓層共5樓管理費
管委會中庭
電梯 未知 是否為凶宅不是
300公尺內嫌惡設施面前道路
面寬縱深
邊間房屋銷售來源不動產經紀人/專業仲介
房屋特色
▌地址

新北市淡水區八勢路一段174號5層樓



▌公告內容

辦理法院|士林

案號|112快81781

拍賣時間|115/04/09(四)下午14:30

拍次|4拍

點交否|點交



▌拍賣情況

拍賣中



▌產權資料

社區名|詩畫城堡別墅2

類型|透天

樓層|1-5/5

屋齡|35

權狀坪|93.72

室內坪|18.52

公設坪|6.55

土地坪|81.73

增建坪|

車位|

車位坪|



▌拍賣資料

拍賣底價|990萬元

保證金|198萬元

單價/坪|10.6萬元

標別|



▌預估拍次

一拍價格|1929.0萬元|26.5萬/坪

預估二拍|1544.0萬元|21.2萬/坪

預估三拍|1236.0萬元|17.0萬/坪

預估應買|1236.0萬元|17.0萬/坪

預估四拍|990.0萬元|13.6萬/坪



▌法院筆錄

1‧262建號拍定後點交。

2‧民國113年7月15日現場調查時,發現262建號後門未關,經入內檢視為空屋,無人居住使用,頂樓遮陽板有破裂情形。依強制執行法第113條準用第69條之規定,拍賣物買受人就物之瑕疵無擔保請求權,不得於拍定後主張,請應買人留意。惟現在實際情形如何,仍請應買人自行查明注意。

3‧投標人應自行查明債務人有無積欠管理費,並注意拍定後民法第826條之1第3項規定之適用問題。

《拍賣抵押物》







法拍代標專家TORO|18年法拍屋經驗,專業代標、合法透明、成功率高

✅專欄人物-黃瑋諭

在法拍市場中,資訊不對稱、法律風險、投標策略失誤,往往讓投資人錯失良機,甚至承擔不必要的風險。

選擇一位真正專精法拍屋的代標專家,是成功關鍵。

TORO法拍代標|業界口碑第一的法拍屋專家

📮TORO(黃瑋諭),深耕法拍屋市場超過18年,專注於法拍交易、法拍屋投資與代標服務,累積豐富實戰經驗,並以「合法、透明、專業」著稱。

✅TOROESTATE創辦人

法拍屋教學教育資深講師👨‍🏫

多家媒體、網路專欄不動產分析專家📢

曾參與多件大型企業辦公室、豪宅、廠房之法拍代標案件🏢

不只協助投標,更替客戶控管風險,打造長期穩定的法拍投資策略👑

✅法拍代標實績|累積成交金額突破50億

法拍成交案件數:300+件

累積成交總金額:超過50億元

102年單店成交金額:17億

111年單店成交金額:30億

👉業績來自實力,口碑來自成果。

✅為什麼選擇TORO法拍代標?

✔專業法律顧問全程把關

配合專業律師團隊確保交易合法、安全降低潛在法律風險

✔法拍物件完整調查

產權結構、登記風險全面審查使用狀況、占用與點交可能性分析避免「買到不能住、不能用的法拍屋」

✔客製化投標策略

投標價格精準分析市場行情比對依現場狀況即時調整投標金額

✅TORO法拍代標完整流程

①委託前諮詢

法拍流程完整說明

成本、稅費、銀行貸款分析

投資風險與報酬評估

②委託後分析

預估得標價格

銀行鑑價與融資可行性

現場實地調查

③投標當日

全程陪同或代理投標

現場觀察投標人數

即時判斷投標策略

④成功得標後

銀行撥款與法院流程協助

點交程序與文件處理

協助排除占用、後續出租或轉售規劃

✅法拍代標收費方式(透明公開)

⭕️點交法拍屋:3%

⭕️不點交法拍屋:5%

❌️未得標:完全不收費

👉成功才收費,與客戶站在同一陣線。

✅投標當日必備文件

⭐️投標人身分證公司投標需附法人登記資料

⭐️投標人印章/法人大小章

⭐️投標保證金(拍賣底價20%)



✅台北/新北法拍投標地點與電話

台北地方法院

台北市博愛路131號

📞(02)2314-6871

新北地方法院

新北市土城區青雲路152號6樓

📞(02)2261-6714

士林地方法院

台北市內湖區民權東路六段91號

📞(02)2791-1521

台灣金服公司

台北市大安區忠孝東路四段300號10樓

📞(02)8771-1168

✅聯絡TORO|法拍代標諮詢專線

⭐️0980-758-080

👉一對一諮詢,協助你避開法拍陷阱,精準得標。

坪數說明
建物登記總坪數93.72土地登記總坪數81.73
主建物坪數93.72停車位坪數
附屬建物坪數公共設施坪數6.55
增建坪數地下室坪數
周邊環境
生活機能鄰近交通
鄰近地標公園綠地
鄰近學區捷運站
房屋聯絡人資訊
聯絡人姓名TORO 黃瑋諭
(煩請告知聯絡人,您是在House-Info房屋網看到這則廣告,真摯感恩您的幫忙)
手機
0980-758-080
Line加入好友Line加入好友
所屬公司名稱鑫創資產管理有限公司
公司電話0980758080公司傳真鑫創資產管理有限公司
公司地址新北市新莊區中環路二段423號1樓
網 址http://www.toro591.tw
贊助商廣告
桃園廠房,桃園廠房出租,桃園廠房出售
新北法拍屋,新北市法拍屋,新北法院法拍屋
新北淡水透天法拍-1
新北淡水透天法拍-1
新北淡水透天法拍-2
新北淡水透天法拍-2
新北淡水透天法拍-3
新北淡水透天法拍-3
新北淡水透天法拍-4
新北淡水透天法拍-4
新北淡水透天法拍-5
新北淡水透天法拍-5
觀看地圖

法拍新北淡水透天-新北市淡水區八勢路一段174號5層樓-透天

物件留言
請注意,如果您詢問的內容與物件不相符合或是廣告,經過審核,系統將會直接刪除您的發問內容
等待圖示
檢舉物件不實
等待圖示
黃金曝光
相似物件
www.houseinfo.com.tw房屋網免責聲明:本系統為租用式開放房屋買賣網站建置平台,僅提供會員查詢-法拍新北淡水透天--等房屋資訊參考,並不涉入任何諮詢、交易。 物件(服務)聯絡人公佈的資訊、文字、照片、圖形、產權、廣告內容、或其他資料若有不實或違法情事,或與客戶聯絡交易過程中若衍生民事或刑事等法律問題,皆與本房屋網站無關,所有商標、文章、名稱等版權,皆歸屬原著作者所有! ●電話:07-7963288