法拍汐止公寓
07-7963288
客服電話
申請房仲網站
首頁
買房屋
買土地
買法拍屋
廠房租售
房屋仲介
社區建案
委託買賣
關鍵字
現在位置:
首頁
›
買法拍屋
›
新北市法拍公寓
›
汐止區法拍公寓
›
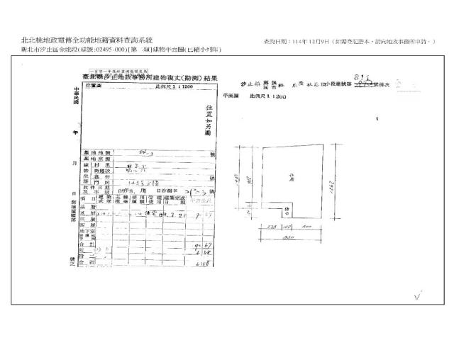
法拍汐止公寓-新北市汐止區明峰街145號5樓
最後更新:1天前
檢舉案件不實
│
列印
│
物件留言
|
觀看地圖
法拍汐止公寓
法拍汐止公寓
房屋資料
案名
汐止區明峰街|公寓五樓|增建19坪|近家樂福、金龍市場、一高
案號
113勇62295 115/01/08(四)14:30 流標
地址
新北市汐止區
明峰街145號5樓
銷售狀態
議價中
售價
售1230萬
房屋類型
法拍公寓
總登記坪數
29.42 坪
格局
0房
屋齡
45年
每坪單價
41.81萬/坪
公設比
車位
沒有車位
座向
無障礙環境
沒有
法拍屋
本物件是法拍屋
拍次 : 第1拍 部分點交
開標日期 : 2026/01/08(四)14:30 流標
建物所在樓層
5樓/共5樓
管理費
管委會
沒有
中庭
沒有
電梯
沒有
是否為凶宅
300公尺內嫌惡設施
面前道路
面寬
縱深
邊間
不是
房屋銷售來源
不動產經紀人/專業仲介
房屋特色
【法院筆錄內容】
1‧建物拍定後點交。土地拍賣不動產應有部分,查無債務人現實占有部分,拍定後不點交。
2‧113年6月11日假扣押查封時,債務人出租予第三人林小姐。114年10月8日新北市政府警察局汐止分局函覆,該址現無人居住。114年3月18日測量增建即暫編10836建號建物時,無人居住,客廳、陽台及廚房有遺留雜物、垃圾於屋內,天花板有滲水痕跡,屋內有二房間,房間內無雜物,與2495建號內部無相通,且有獨立出入口。惟現在實際情形如何,仍請應買人自行查明注意。
3‧暫編10836建號建物為未辦保存登記,拍定人不得持權利移轉證書辦理保存登記。且本件拍賣以建物現況拍賣,當事人及拍定人均不得以面積不符,請求增減價金。《清償債務》【保證金】
246萬
【拍賣履歴】
一拍2026/01/08流標底標價格1230萬
二拍底標價格984萬
三拍底標價格787.2萬
四拍底標價格629.8萬
【焦點法拍履歴】
👩🏻⚖️從業二十年以上經驗|競競業業|正派經營
🎯投標準備⇥法拍流程說明|標單填寫|案件現場勘查有無特殊情事|成本評估分析
💰銀行貸款⇥法拍物件估價|投標人財力評估|銀行代墊款協助辦理|最高八成
🏡拍定得標⇥強制執行書狀、履勘陳報書狀往返|債務人搬遷協商|遺留物造冊查估
🎁委託代標⇥免費|委託代標未得標⇥免費
🏢鑫創資產管理有限公司
顏麗杏0911-965339營業員證號:(101)登字第212862號
連真甄0909-031993營業員證號:(101)登字第192002號
更多物件☞焦點法拍
經紀人李彥槿:109北市經證字第02110號
坪數說明
建物登記總坪數
29.42
土地登記總坪數
8.16
主建物坪數
27.43
停車位坪數
附屬建物坪數
1.99
公共設施坪數
增建坪數
19.44
地下室坪數
周邊環境
生活機能
鄰近交通
鄰近地標
近家樂福、金龍市場、金龍國小、一高、二高、
公園綠地
鄰近學區
捷運站
房屋聯絡人資訊
聯絡人姓名
小顏
(煩請告知聯絡人,您是在House-Info房屋網看到這則廣告,真摯感恩您的幫忙)
手機
0911-965-339
Line加入好友
所屬公司名稱
鑫創資產管理有限公司
公司電話
公司傳真
公司地址
新北市新莊區中環路二段423號一樓
網 址
http://www.1314home.tw
贊助商廣告
汐止公寓拍賣-1
汐止公寓拍賣-2
汐止公寓拍賣-3
汐止公寓拍賣-4
汐止公寓拍賣-5
汐止公寓拍賣-6
汐止公寓拍賣-7
汐止公寓拍賣-8
觀看地圖
到Google查看地圖
到Google查看街景
法拍汐止公寓-新北市汐止區明峰街145號5樓-公寓
物件留言
請注意,如果您詢問的內容與物件不相符合或是廣告,經過審核,系統將會直接刪除您的發問內容
檢舉物件不實
黃金曝光
添福14-50號2
公寓_添福迦葉禪寺 / 3房
19.98坪
售386萬5000元
明德路一段53號5
公寓
24.72坪
售711萬
長安街131巷7-
公寓
39.66坪
售1342萬
莒光路95號3樓
公寓_法拍公寓
31.53坪
售1024萬
相似物件
學府路一段75巷1
公寓
40.01坪
售1509萬5000元
四川路二段245巷
公寓_華德公園生活圈 / 4房
36.57坪
售1351萬
萬板路312巷12
公寓 / 3房
31.51坪
售1086萬
法拍屋北深路三段2
公寓_深坑老街套房售 / 5房
31.04坪
售1250萬
www.houseinfo.com.tw房屋網
免責聲明:本系統為租用式開放房屋買賣網站建置平台,僅提供會員查詢-
法拍汐止公寓
-
-等房屋資訊參考,並不涉入任何諮詢、交易。 物件(服務)聯絡人公佈的資訊、文字、照片、圖形、產權、廣告內容、或其他資料若有不實或違法情事,或與客戶聯絡交易過程中若衍生民事或刑事等法律問題,皆與本房屋網站無關,所有商標、文章、名稱等版權,皆歸屬原著作者所有! ●電話:07-7963288
汐止區法拍華廈
│
汐止區法拍電梯大廈
│
汐止區法拍電梯大樓
│
汐止區法拍大樓
│
汐止區法拍大廈
│
汐止區法拍電梯華廈
│
汐止區法拍透天別墅
│
汐止區法拍透天厝
│
汐止區法拍公寓
│
汐止區法拍店面
│
汐止區法拍套房
│
汐止區法拍廠房
│
汐止區法拍辦公室
│
汐止區法拍豪宅
│
汐止區法拍樓中樓
│
汐止區法拍農舍
│
汐止區法拍廠辦
│
汐止區法拍雅房
│
汐止區法拍倉庫
│
汐止區法拍工業廠房
│
汐止區法拍透天
│
汐止區法拍中古屋
│
汐止區法拍別墅
│
汐止區法拍電梯別墅
│
汐止區法拍透天店面
│
汐止區法拍屋
│
汐止區法拍房屋
│
汐止區法拍房子
請注意:此案件已下架
資料處理中,請稍後...